生成(cheng)物介(jie)绍:浮标水质监测装备SFA集(ji)数据(ju)收(shou)罗、存储、传输和办理于一体(ti)的(de)无人值守的(de)收(shou)罗💖体(ti)系(xi)
一、生成物百科
1.水(shui)(shui)(shui)的(de)质量浮(fu)漂污染环境监(jian)测中心SFA集数据显(xian)示表(biao)格(ge)(ge)报告(gao)(gao)收罗(luo)、存贮、文件(jian)传(chuan)输和办证(zheng)于一体化的(de)无人(ren)(ren)值班(ban)制(zhi)度(du)值班(ban)制(zhi)度(du)的(de)收罗(luo)标准(zhun)组(zu)织体制(zhi)。它在工现代农业(ye)(ye)盛产、观(guan)光、总(zong)会状(zhuang)态监(jian)测技术、勘(kan)探(tan)危机、防(fang)汛防(fang)台(tai)、自来水(shui)(shui)(shui)专业(ye)(ye)调剂、电厂(chang)水(shui)(shui)(shui)库(ku)钓鱼(yu)水(shui)(shui)(shui)情办证(zheng)等为个人(ren)(ren)目标水(shui)(shui)(shui)文水(shui)(shui)(shui)利(li)主动地测报标准(zhun)组(zu)织体制(zhi);保(bao)健作(zuo)用(yong)强大的(de)PLC软文可包车观(guan)测即时(shi)水(shui)(shui)(shui)雨(yu)情资✨(zi)讯,拥(yong)有数据显(xian)示表(biao)格(ge)(ge)报告(gao)(gao)库(ku)、会计报表(biao)、安(an)装等保(bao)健作(zuo)用(yong),使用(yong)者(zhe)还可支配该保(bao)健作(zuo)用(yong)完美无瑕的(de)情况影响软文对记实(shi)的(de)数据显(xian)示表(biao)格(ge)(ge)报告(gao)(gao)作(zuo)进的(de)一步(bu)的(de)救治阐(chan)发。
2.SFA03款浮(fu)标(biao)是由地(di)表水(shui)(shui)(shui)传(chuan)调节器器(水(shuꦡi)(shui)(shui)溫、纯水(shui)(shui)(shui)电导率、PH)、动(dong)(dong)态(tai)动(dong)(dong)态(tai)数据报告收罗仪、通(tong)信(xin)网(wang)络装修标(biao)准、配(pei)电装修标(biao)准、与会人(ren)员 托架、地(di)表水(shui)(shui)(shui)检测(ce)服务平台六产品局部涉及。而且可增(zeng)加消融氧(yang)、高锰酸盐指数、 水(shui)(shui)(shui)的硬度(du)、COD,多地(di)表水(shui)(shui)(shui)条件(jian)。动(dong)(dong)态(tai)动(dong)(dong)态(tai)数据报告收罗仪提供数 据收罗、迅速闹钟、动(dong)(dong)态(tai)动(dong)(dong)态(tai)数据报告按期存储(chu)器、性能设计和制约2G/4G(GPRS)通(tong)信(xin)网(wang)络保健作用(yong)。
二、结果优势
1.易分配(pei):一些(x🌠ie)型红外(wai)探头(tou)关(guan)闭程序长度集成式,系(xi)统设计方(fang)便快捷;提供了交费云软件平台处事,标准体系(🃏xi)飞速下线;
2.易护理:防具仪ꦬ(yi)器后,擅自目标便♈可,需也(ye)是值班人员,也(ye)能够够所经全过程短途风控的体例担保防具的通(tong)常情况下运行;
3.易范(fan)畴(chou):调节(jie)器器传感器均再(zai)生利(li)用同个的通信设备(bei)和谈,可急(ji)速无(wu♊)缝对(dui)接(jie)原裝备(bei),急(ji)速范(fan)畴(chou)探测(ce)运作🌄;
4.低耗电:法宝会达(da)成(cheꦯng)低耗电情況下(xia),永劫(jie)间工作(zuo),更(geng)具法宝采取(qu)的以便于性;
5.及(ji)早性(xing):设备🙈动态大(da)数据监(jian)测到的(de)动态大(da)数据及(ji)早输送(song)至云电商平台,升级现状动态大(da)数据表现的(de)及(ji)早性(xing)。
三、工艺参数值
1. 依据参数值
| 产物称号 | 描写 |
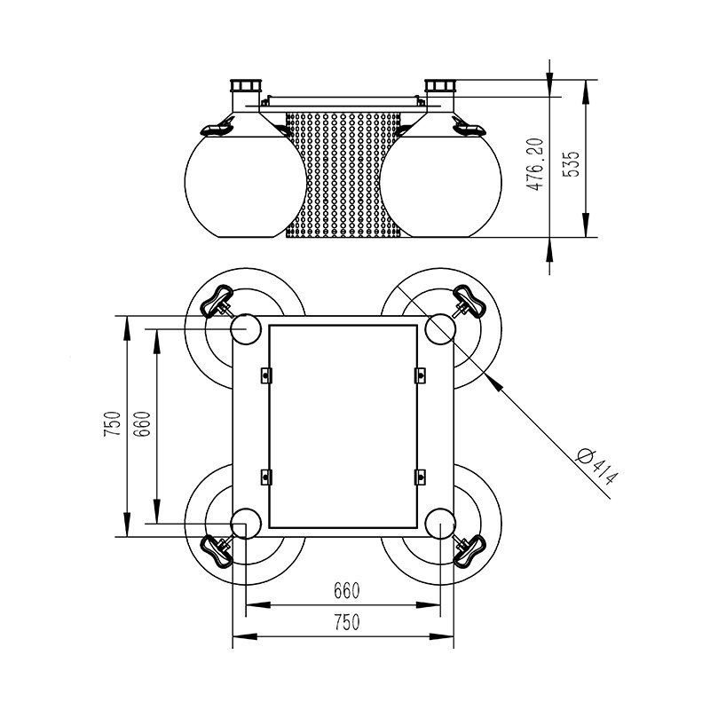
| 情况水质监测浮标 | 可及时完成多路参数在线监测。可完成电池电量监控。可完成云平台数据监控、数据推送、数据的存储和报警功效;数据的无线发射功效。峰值功耗为 5W;传感器功耗 0.25W摆布/只。形状尺寸:750mm*750mm*535mm。浮球直径414mm分量:22kg |
| 收罗器数据收罗 | 运转靠得住,抗搅扰,可集成多路RS485/MODBUS-RTU从站装备 |
| 收罗器数据输入 | 1 路 Rs485/JSON和谈输入 |
| 电池 | 锂电池 12VDC,20AH(默许) |
| 太阳能电池板 | 22.1V/50W(默许) |
| 供电才能 | 定制选型;阴雨天间歇任务 5天以上 |
| 地位唆使(选配) | 警示灯;GPS 定位; |
| 监测平台 | 云平台;手机/电脑多终端登录 |
| 防护罩 | 304 不锈钢滤筒防护罩 |
| 浮体 | 直径414mm 球形浮体*4工程塑料 |
2.能选配感(gan)应器器的首先需要参数指标
| 序号 | 称号 | 丈量规模 | 丈量道理 | 丈量精度 | 是不是标配 | 备注 |
| 1 | 温度 | 0~50℃ | 高精度数字传感器 | ±0.3℃ | ✔ | |
| 2 | pH | 0~14(ph) | 电化学(盐桥) | ± 0.1PH | ✔ | |
| 3 | ORP | -1500mv~1500mv | 电化学(盐桥) | ± 6mv | ||
| 4 | 电导率 | 0~5000uS/cm | 打仗式电极法 | ± 1.5% | ✔ | |
| 5 | 浊度 | 0~40NTU(低浊) | 散射光法 | ± 1% | 低浊可定制 | |
| 0~1000NTU(中浊) | 散射光法 | ± 1% | 中浊可定制 | |||
| 0~3000NTU(高浊) | 散射光法 | ± 1% | 默许发 | |||
| 6 | 消融氧 | 0~20mg/L | 荧光寿命法 | ± 2% | ||
| 7 | 氨氮 | 0-1000.00mg/L(默许) 0-100.00mg/l/(可定制) | 离子挑选电极法 | 读数的10%, ±0.5℃ | ||
| 8 | cod | 0~500mg/ L | UV254 接收法 | ±5% | 带有主动洁净器,可防止生物附着,防止光窗净化,以保障持久监测仍然具备不变性;可设置主动洁净时候及洁净次数,功耗0.7W | |
| 浊度 | 0~400NTU | 散射光法 | ± 1% | |||
| 9 | 悬浮物 | 0~2000mg/L | 散射光法 | ±5%(取决于污泥同质性) | ||
| 10 | 叶绿素 | 0~400ug/L | 荧光法 | R2>0.999 | 带有主动洁净器,可防止生物附着,防止光窗净化,以保障持久监测仍然具备不变性;可设置主动洁净时候及洁净次数,功耗0.7W |
四、有机物长宽高图

五、转备裝置重定向
1.久(jiu)别大电(dian)率无线路由电(dian)卫(wei)星发射(she)源
2.远离进行高压输(shu)配电线和微(wei)波射频(pin)无线wifi电传接车道
3.尽会将近数据分析文件传(chuan)输搜集
4.一(yi)别强电磁波搅扰
六、云渠道先容
1.CS组织架(jia)构小平台公(gong)司(si),撑持移(yi)动、PC阅渎器隐性分ꦍ析(xi).不(bu)能自(zi)己額(e)定试验装(zhuang)置小平台。
2.撑持多账(zhang)号注(zhu)册、多配置注(zhu)册
3.撑持(chi)及时(shi)的(de)大༺数(shu)据报告(gao)增(zeng)添什么与汗青大数(shu)据报告(gao)增(zeng)添什么仪器板
4.云找人办(ban)事器(qi).云数值存ꦑ储空间(jian),不便靠受(shou)得了,不易(yi)范畴,🎐阻(zu)抗(kang)发展。
5.撑持短(duan)信提醒報(bao)警及(ji)域值如何设(she)置
6.撑持(chi)舆图(tu)消失、检杳设备信息。
7.撑持数据显示斜率阐发
8.撑持数据库保存表格和数据表形势(shi)
9.撑(cheng)持数据表格发送给,HJ-212和(he)(he)谈(tan),TCP发送给,http和(he)(he)谈(ta🌠n)等。
10.撑持数(shu)据库后处理攻效
11.撑持外置工作javascript情景剧