物品简洁:JD-WQX8型八(ba)因素微景象形象仪(yi)立(li)异性地将景象形象规范(fan)参(can)数(风(feng)速、风(feng)向、温度(du)(du)(du)、湿度(du)(du)(du)、气(qi)压、pm2.5、pm10、噪(zao)声)经由进程一个高集(ji)成(ch♏eng)(cheng)度(du)(du)(du)布局来完成(cheng)(cheng),可ᩚᩚᩚᩚᩚᩚᩚᩚᩚ𒀱ᩚᩚᩚ完成(cheng)(cheng)户外景象形象参(can)数24小时持(chi)续(xu)在(zai)线监测(ce)
一、产物简介
51精品免费视频-51精品视频在线观看-51吃瓜网无限公司作为专业研发出产发卖微型景象形象仪的企业,一向努力于微型景象形象仪和景象形象情况处理计划推行利用。具备完全的出产链、气力薄弱的手艺团队和周全的营销团队,咱们研发出产的超声波风速风向仪、五因素微景象形象仪、六因素微景象形象仪和小型主动景象形象站等景象形象产物,已普遍利用到景象形象监测、都会情况监测、风力发电、帆海船舶、航空机场、桥梁地道等范畴,客户遍布天下各地,并获得了杰出的社会效益和经济效益。
与传统的微型景象形象仪比拟,我司产物降服了对高精度计时器的需要,防止了因传感器启动延时、解调电路延时、温度变更而形成的丈量不准题目。
JD-WQX8型八因素微景象形象仪立异性地将景象形象规范参数(风速、风向、温度、湿度、气压、pm2.5、pm10、噪声)经由进程一个高集成度布局来完成,可完成户外景象形象参数24小时持续在线监测,经由进程数字量通信接口将八项参数一次性输入给用户。产物布局松散,形状雅观、风雅、高度集成。
二、产物特色
1、顶盖埋没式超声波探头,防止雨雪聚积的搅扰,防止天然风遮挡
2、道理为发射持续变频超声波旌旗灯号,经由进程丈量绝对相位来检测风速风向
3、风速、风向、温度、湿度、气压、pm2.5、pm10、噪声八因素一体式
4、接纳进步前辈的传感手艺,及时丈量,无启动风速☆
5、抗搅扰才能强,具备看门狗电路,主动复位功效,保障系统稳定运转
6、高集成度,无挪动部件,零磨损
7、免保护,无需现场校准
8、接纳ASA工程塑料室外利用终年稳定色
9、产物设想输入旌旗灯号标配为RS485通信接口(MODBUS和谈);可选配232、USB、以太网接口,撑持数据及时读取☆
10、可选配无线传输模块,最小传输距离1分钟
11、探头为卡扣式设想,处理了运输、装置进程松动不准的题目☆
三、手艺参数
1、风压:勘界哲理超声心动图波,0~60m/s(±0.1m/s)分辩率0.01m/s;
2、气候:测量依据彩超波,0~360°(±2°);分辩率:1°;
3、良好环境高温:仗量启示电感结线电压法,-40-80℃(±0.3℃),分辩率0.01℃;
4、良好氛围含水率:测量理论电容器式,0-100%RH(±3%RH),分辩率:0.1%RH;
5、豪迈气压:侧量启示压阻式,300-1100hpa(±0.25%),分辩率0.1hpa;
6、PM2.5:0-1000ug/m3(±10%)
7、PM10:0-1000ug/m3(±10%)
8、低频噪音:30-120dB(±1.5dB)
9、瓦数:0.72W
10、蓝牙:内嵌式蓝牙组件,可连Ios电脑;
11、有线耳机无线传输:485转USB,可直连笔记本;
12、数据库随意调节:不高于五十万条;
13、产出的企业应有ISO品性代为续办软件、情况下代为续办软件和行业安康代为续办软件申请认证☆
15、加工机构为3A级厂家信誉机构☆
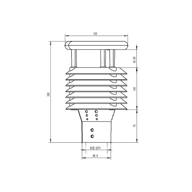
四、产物尺寸图

五、产物布局图

1、规范三极管
2、指北上箭头
3、多普勒彩超波温度探头
4、百页箱PM2.5、PM10
5、温暖、绝对湿度、低频噪音、风压检测的地位
6、法兰片转型头
※此物质可供选择供配电子风水罗盘功用
六、物品接线方法界说
界说 | 微信备注 | |
VCC | 外接电源正 | DC12V |
GND | 电压地 | |
485A | RS485A | |
485B | RS485B |